Реле контролю E1YM400VS10
Виробник: Tele
- Реле контролю - серія ENYA
- Багатофункціональне
- Контроль на обрив фаз
- Відключення контролю чергування фаз
- Необов'язкове підключення нейтрального провідника
- 1 перекидний контакт
- Ширина 17,5 мм
- Модульне виконання
-
- Специфікації
Дані вимірювального ланцюга Функції UNDER, UNDER+SEQ, WIN, WIN+SEQ Індикація жовтий LED ON/OFF - стан релейного виходу
червоний LED ON/OFF - індикація спрацьовування за відповідним порогом
червоний LED блимає - індикація відліку затримки спрацьовування по відповідному порогуВимірювальний ланцюг клеми (N)-L1-L2-L3 вимірювана величина 3(N)~, синус, 16,6 ... 400 Гц напруга живлення рівне вимірюваній напрузі стійкість до перевантажень визначається допустимим відхиленням для напруги живлення початковий опір - порогові значення max: 80%...100% від UN
min: 70%...120% від UNВхідний ланцюг Номінальна напруга Un 3(N)-400/230 Номінальна частота 16,6...400 Гц Вихідний ланцюг Кількість та тип контактів 1 CO - перекидний Номінальний струм навантаження 5 A / 250 В AC Максимальна комутована потужність 1250 В AC Дані ізоляції Номінальна ударна напруга 4000 В AC Категорія перенапруги III (відповідно до IEC 60664-1)
- Опис функцій
Функції
Світлодіоди Min та Max блиматимуть по черзі, якщо мінімальне значення порога спрацьовування було вибрано більше максимального значення. Якщо в момент увімкнення пристрою фіксується вихід контрольованих параметрів за граничне значення, вихідне реле залишиться в положенні ВИМКН і за допомогою відповідного світлодіода буде показана причина збою. Пристрій окремо підключає кожну фазну напругу (L-N) і контролює її відповідно до вибраної функції (UNDER або WINDOW).
Контроль напруги на зниження (UNDER, UNDER+SEQ)
Якщо контрольована напруга (одна з фаних напруг) падає нижче значення, заданого регулятором MIN, починається відлік заданого інтервалу затримки спрацьовування (Delay) (червоний LED Min блимає). Після закінчення інтервалу (червоний LED Min горить), вихідне реле R переключиться у положення ВИМК (жовтий LED не горить). Вихідне реле R знову переключиться в положення ВКЛ (жовтий LED горить), якщо напруга, що вимірюється, перевищить величину, задану регулятором Max.

Контроль напруги у вікні (WIN, WIN+SEQ)
Вихідне реле R переключиться в положення ВКЛ (жовтий LED горить), якщо напруга, що вимірюється (всі фазні напруги) перевищить значення, задане регулятором Min і при цьому не перевищить значення, задане регулятором Max. Якщо вимірювана напруга (одна з фазових напруг) перевищить значення, задане регулятором Max, почнеться відлік інтервалу затримки спрацьовування (Delay) (червоний LED Max блимає). Після закінчення інтервалу (червоний LED Max горить), вихідне реле R переключиться в положення ВИМК (жовтий LED не горить). Вихідне реле знову перемкнеться у положення ВКЛ (жовтий LED горить), якщо вимірювана напруга впаде нижче значення, заданого регулятором Max (червоний LED Max не горить). Якщо вимірювана напруга (одна з фазових напруг) впаде нижче значення, заднього регулятором Min, знову почнеться відлік інтервалу затримки спрацьовування (Delay) (червоний LED Min блимає). Після закінчення інтервалу (червоний LED Min горить), вихідне реле переключиться в положення ВИМК (жовтий LED не горить).

Контроль чергування фаз (SEQ)
Контроль чергування фаз можна вмикати та вимикати для всіх функцій. Під час роботи в однофазній мережі контроль чергування фаз необхідно вимкнути. Якщо виявлено зміну порядку чергування фаз (червоний LED SEQ горить), вихідне реле R переключиться в положення ВИМКЛ після закінчення інтервалу відліку затримки спрацьовування (Delay) (жовтий LED не горить).

Обрив нейтрального провідника
Пристрій контролює кожну фазу (L1, L2 та L3) щодо нейтрального провідника N. Зсув нейтральної точки виникає у разі нерівномірного розподілу навантаження, якщо відбувається обрив нейтрального провідника в мережі живлення. Якщо одна з фазових напруг перевищить значення, задане для точки спрацьовування, почнеться відлік інтервалу затримки спрацьовування (Delay) (червоний LED Min або Max блимає). Після закінчення інтервалу (червоний LED Min або Max горить), вихідне реле R переключиться в положення ВИМК (жовтий LED не горить).
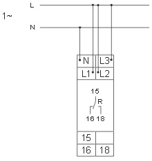
- Розміри й схеми
Габаритні розміри

Підключення








